Skip to content Skip to sidebar Skip to footer

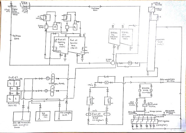
Fuel Oil System Piping Diagram

Fuel Oil System Diagram On Ship With Diagram Marine Diesel Engine

Fuel Oil System Diagram On Ship With Diagram Marine Diesel Engine

Fuel oil system piping diagram. Marine Fuel Oil Transfer System includes various piping systems provided for bunkering storage transfer offloading and treatment of fuel oils. Do not provide cross connections between grades. A system designer should be aware of a couple of key points when in-volved with boiler fuel oil systems.

Heating system oil burner by gravity flow. Applies to MFC Series Models. For cleaning of heavy fuel oils HFO the two stage process is commonly.

Return piping shall connect to the top of the fuel oil tank. Fuel systems a minimum viscosity of 14 cSt at 38C 100F is required at the engine transfer pump to properly lubricate fuel system components. Piping is so arranged that the pumps can transfer fuel between storage tanks and then to the deck connections for offloading.

The fuel oil day tank is located with the fuel oil storage tank in a separate room located at a building level above the diesel room. MFC 3000 MFC 4000 MFC 5000 MFC 6000 MFC 8000 MFC 10000 Gas Train. At the starboard side deck hose connection and using.

The most common causes of water in tanks are. Kerosene type fuels have lower energy content than diesel fuels and therefore will produce less peak power output andor will require more fuel volume to do an equivalent amount of work. C For short runs provide a line slope of at least 02 percent.

2 fuel oil NFPA Classification. Copper Tube 2 Fuel Oil 1. Class 4 ffi date e 2 12-2-96 sca-e no.

Provide a separate piping system for each grade of fuel to be handled. Refer to this cheat sheet for important considerations when designing a fuel oil system.

Main Engine Fuel Oil System Download Scientific Diagram

Main Engine Fuel Oil System Download Scientific Diagram

Fuel Oil System For Marine Diesel Engine

Fuel Oil System For Marine Diesel Engine

Fuel Oil System With Fuel Oil Cooler Download Scientific Diagram

Fuel Oil System With Fuel Oil Cooler Download Scientific Diagram

2d Animated Explanation Main Engine Fuel Oil System Garish Jerome Youtube

2d Animated Explanation Main Engine Fuel Oil System Garish Jerome Youtube

Fuel Oil System Of Ships

Fuel Oil System Of Ships

Fuel Oil System In Ship For Marine Diesel Engine Marinerspoint

Fuel Oil System In Ship For Marine Diesel Engine Marinerspoint

Conventional Fuel Oil System Flow Line Download Scientific Diagram

Conventional Fuel Oil System Flow Line Download Scientific Diagram

Marine Boiler Combustion Process Arrangement Supply Of Fuel Oil

Marine Boiler Combustion Process Arrangement Supply Of Fuel Oil

Fuel Oil Transfer System For Marine Diesel Engines

Fuel Oil Transfer System For Marine Diesel Engines

Fuel Oil System Fuel Injection Equipment B Pritchard M Borucinsky J Luzer Ppt Download

Fuel Oil System Fuel Injection Equipment B Pritchard M Borucinsky J Luzer Ppt Download

How To Draw And Read Line Diagrams Onboard Ships

How To Draw And Read Line Diagrams Onboard Ships

Marine Fuel Oil Supply System Marine Fuel Oil Supply Unit Hi Sea

Marine Fuel Oil Supply System Marine Fuel Oil Supply Unit Hi Sea

Marine Sea Time Fuel Oil Line Diagram And Explanation In Ship

Marine Sea Time Fuel Oil Line Diagram And Explanation In Ship

Lubricating Oil System For Marine Diesel Engine

Lubricating Oil System For Marine Diesel Engine

Dg Me Fuel Oil System Diagram Youtube

Dg Me Fuel Oil System Diagram Youtube

Marine Steam Boilers And Boiler Accessories

Marine Steam Boilers And Boiler Accessories

How To Draw And Read Line Diagrams Onboard Ships

How To Draw And Read Line Diagrams Onboard Ships

Fuel Oil System

Fuel Oil System

Main Engine Fuel Oil System Download Scientific Diagram

Main Engine Fuel Oil System Download Scientific Diagram

Fuel Oil System Lubrication Cooling Ppt Download

Fuel Oil System Lubrication Cooling Ppt Download

Lube Oil System An Overview Sciencedirect Topics

Lube Oil System An Overview Sciencedirect Topics

Archnav De Piping Diagrams Print

Archnav De Piping Diagrams Print

Tsps Engineering Manual

Tsps Engineering Manual

1

1

Fuel Injection System Components

Fuel Injection System Components

Fuel Oil Systems

Fuel Oil Systems

2

2

Is There Oil In Your Future Process Heating

Is There Oil In Your Future Process Heating

June 2017 Marine Infosite

June 2017 Marine Infosite

Oil System An Overview Sciencedirect Topics

Oil System An Overview Sciencedirect Topics

Faq Guidance For 2020 Fuel Switch Mfame Guru

Faq Guidance For 2020 Fuel Switch Mfame Guru

Figure 2 9 Fuel Oil System Piping Diagram

Figure 2 9 Fuel Oil System Piping Diagram

Ship S Main Engine Lubricating Oil System An Easy Guide

Ship S Main Engine Lubricating Oil System An Easy Guide

Fuel Oil Leak Off Arrangement Archives Marine Engineering Study Materials

Fuel Oil Leak Off Arrangement Archives Marine Engineering Study Materials

2

2

Heating Oil Piping Defects Leaks Where Heating Oil Leaks Occur Why How To Find Them How To Fix Them

Heating Oil Piping Defects Leaks Where Heating Oil Leaks Occur Why How To Find Them How To Fix Them

2

2

C F O Class Submarines Diesel Engines

C F O Class Submarines Diesel Engines

Marine Piping Systems

Marine Piping Systems

Fuel Oil Pump Sets Fuel Oil Transfer Systems Industrial Fuel Systems Mission Critical Fuel Oil Systems Pump Sets

Fuel Oil Pump Sets Fuel Oil Transfer Systems Industrial Fuel Systems Mission Critical Fuel Oil Systems Pump Sets

Pipe Pump Sizing Preferred Utilities Mfg

Pipe Pump Sizing Preferred Utilities Mfg

Phillips Pump Guide Specification For Generator Daytank Duplex Pump Set

Phillips Pump Guide Specification For Generator Daytank Duplex Pump Set

2

2

Pdf Piping Instrument Diagram Of Fuel Oil System Agus Dwy Bramastha Academia Edu

Pdf Piping Instrument Diagram Of Fuel Oil System Agus Dwy Bramastha Academia Edu

2

2

Boiler Fuel Oil System Youtube

Boiler Fuel Oil System Youtube

Oil System An Overview Sciencedirect Topics

Oil System An Overview Sciencedirect Topics

Marine Piping Systems

Marine Piping Systems

1

1

11 06 retired exeptic date cate cate civil elec.

The fuel oil is pumped into the tug. This section shall not apply to inside or above-ground fuel oil tanks. I Fuel tank ii Fuel filter iii Sediment bowl iv Fuel lift pump v Carburettor vi Fuel pipes vii Inlet manifold In some spark ignition engine the fuel tank is placed above the level of the carburettor. 2 This pump can typically handle a low suction pressure of 15Hg without difficulty but a high suc-. Valves shall not be installed on return piping. Approximately 7 gph100 kW rating. FUEL OIL LINE DIAGRAM AND EXPLANATION IN SHIP. Applies to MFC Series Models. Provide a separate piping system for each grade of fuel to be handled.


For cleaning of heavy fuel oils HFO the two stage process is commonly. S 1514 pipe sch. Range day tank is filled by using the rotary hand pump. S 1516 1514 151. Measure total tube length horizontal and vertical from the end of the line in the tank to the connection at the oil pump. 11 06 retired exeptic date cate cate civil elec. Remove all sharp rocks and debris from the trench bottom before bedding material is installed.

Post a Comment for "Fuel Oil System Piping Diagram"